AP8012芯朋微3.6W/6W低待機功耗離線式開關電源IC
AP8012HNEC-T1C DIP-8/AP8012HSSC-R1C SOP-7
AP8012HNEC-T1C DIP-8/AP8012HSSC-R1C SOP-7
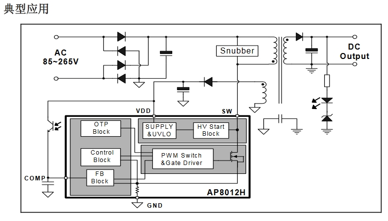
AP8012H芯片內部集成了脈寬調制控制器和功率MOSFET,適用于小功率離線式開關電源。該芯片提供了完整的智能化保護功能,包括過流保護,欠壓保護,過壓保護,過溫保護和軟啟動功能。間歇工作模式能夠降低系統處于待機模式時的功耗;抖頻技術有助于EMI特性。該芯片還內置高壓啟動模塊,保證系統能迅速啟動。
內置800V高雪崩能力智能功率MOSFET
滿足85~265V寬AC輸入工作電壓
全電壓半封閉式穩態輸出功率6W(DIP-8封裝)
抖頻技術EMI特性
間歇工作模式
軟啟動
內置高壓啟動電路
保護功能:過流保護(OCP),過溫保護(OTP),VDD過壓保護


電磁爐電源
小家電輔助電源